QZB-75KVA起动自耦补偿变压器
——又叫自耦降压启动变压器,指的是75KVA的用来作降压启动的一种自耦变压器,这种用在自耦降压启动控制柜里比较多。
起动自耦补偿变压器概述
起动自耦补偿变压器是指电动机启动时利用自耦变压器来降低加在电动机定子绕组上的启动电压。待电动机启动后,再使电动机与自耦变压器脱离,从而在全压下正常运动。这种降压启动分为手动控制和自动控制两种。
起动自耦补偿变压器型号及含义
起动自耦补偿变压器特点
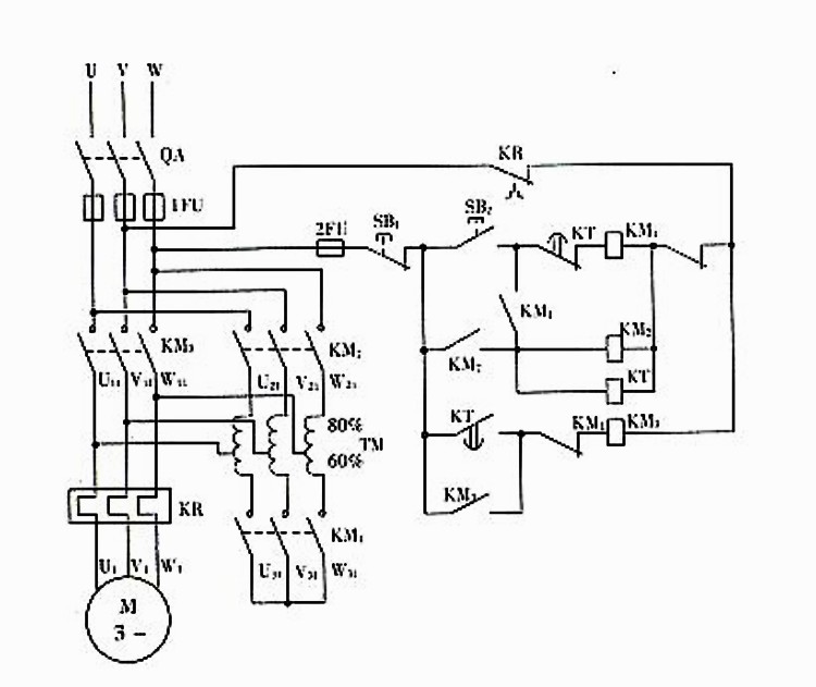
自耦降压变压器的高压边投入电网,低压边接至电动机,有几个不同电压比的分接头供选择;变压器副边有2~3 组抽头,常见的二次电压分别为原边电压的80%、60%、40%。
自耦降压变压器可以按允许的启动电流和所需的启动转矩来选择自耦变压器的不同抽头实现降压启动,而且不论电动机的定子绕组采用Y 或Δ接法都可以使用。
起动自耦补偿变压器线路原理图
QZB-75KVA起动自耦补偿变压器的技术标准
输入输出电压:按客户要求订制
1、本系列产品为干式变压器,调压性能高、低损耗、运行稳定、可长期负载连续工作;
2、面板显示:电压表、电流表、安全指示灯;
3、效率:≧98%;
4、过载能力:可1.3倍额定负载1小时;
5、温升:≦65;
6、绝缘电阻:≧5MΩ,绝缘等级:B级;
7、抗电强度:3000VAC/1min;
8、接线方式:△/Y;
9、变压器电压降<3%,输出空载电压不大于额定标准输出电压的5%;
10、输出电压波失真:<2%;
11、尖峰抑制:常模输入1KVA尖峰信号,输出<400VP;
12、空载损耗:≦0.3%;负载损耗:≦1.7%;集散损耗:小于总损耗7%;
13、变压器对地3000V,1分钟不击穿;变压器匝间1500V,1分钟不击穿;
14、噪声:<47DB(不包含温控排风系统)100KVA以上容量<52DB。
15、QZB-75KVA自耦变压器多数应用于75KW以下的自耦降压动控制柜中比较多
凡购买我司变压器的顾客朋友,均可享受一年内免费质保、一个月包换的服务,欢迎来电咨询采购,咨询电话0755-85286003.

<
<
<
<
合作咨询
客服1