HYYG系列太阳成tyc7111cc集团是球派体育nba直播为高速公路全程监控系统提 供远距离交流供电的专业电源,它能够为布设在高速公路路侧的监控设备提供稳定可靠的交流稳压电源,为全程监控系统可靠运行奠定了基础。
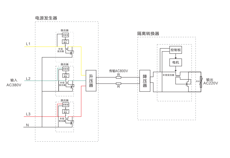
该交流太阳成tyc7111cc集团主要由电源发生器(局端机)、隔离转换器(又祢远端机或下位机)和传输电缆三部分组成。

局端机布设在高速公路沿途收费站或服务区 的供电机房内;
远端机布设在高速公路沿途的各个外场监控设备旁,传输电缆布设在局端机和远 端机之间的高速公路沿线。

电源发生器
——采用微电脑(MCU+PLD+12位高速AD)智能检测,输出指令控制电子模块 (IGBT或SCR)的快速切换,通过变压器同频、锁相、正弦波叠加补偿的原理保持输出电压的稳定。
隔离转换器
——主要由隔离变压器(内含固定绕组,补偿软组和输出绕组),采样单元与控制回路,伺服电机等部分组成,隔离转换器根据采样单元感应出输出端的电压变化,经过控制回路的比较放大,然后驱动伺服电机调整补偿绕组的碳刷位置改变线圈匝数比,从而保持输出电压稳定在220V。


合作咨询
客服1