一控二自耦降压启动柜
指的是一台自耦降压启动柜控制两台三相鼠笼式电动机降压启动。
现在很多客户都是用一台启动柜直接控制两台设备,即节省空间、又方便操作。
产品概述

将两台自耦降压启动柜内置于一台机柜,组合成一套降压启动柜,可共同控制降压,也可分开控制降压,具体操作要求可跟我司技术人员联系
这种一控二自耦降压启动柜是为了满足更多客户的实际需求订制的,有特殊需求,请提前沟通。
产品特点
1.一机多控,方便操作;
2.统一安装,维护方便;
3.具有过载、短路、缺相保护以及泵体漏水,电机超温及漏电等多种保护功能
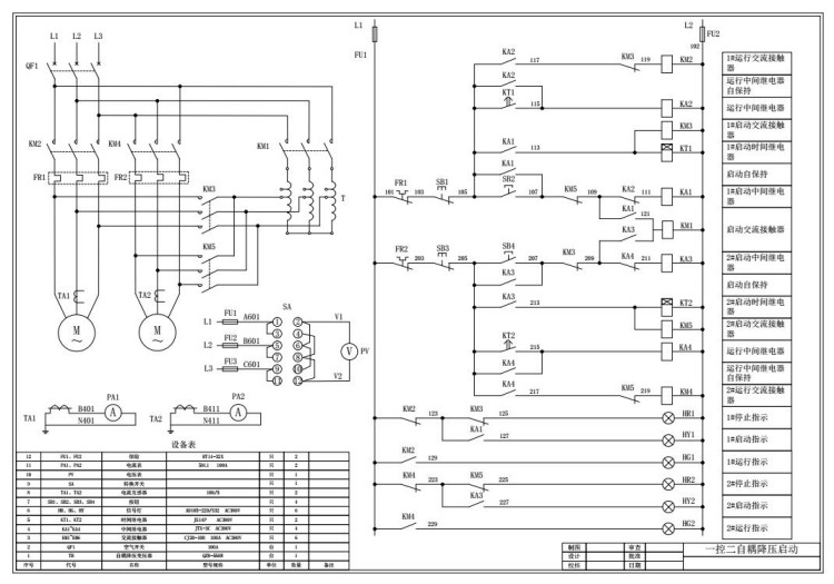
一控二自耦降压启动柜线路图

一控二降压启动柜应用环境
1.供电电源:市电、自备电网、柴油发电机组;三相交流380V,(-10%,+15%),50HZ
3.起动频率:可作频繁起动,建议每小时不超过20次
5.环境条件:
海拔不超过2000米(超过2000米应降容使用);
环境温度在-25℃--- +40℃之 间;
相对湿度不超过95%,无露
振动小于0.5G。
产品应用
一控二自耦降压启动柜,多用于消防泵上,一用一备,还有其它消防、供水、污水处理、油等;
离心机、搅拌机、输送机等。
备注
弘翼电源的自耦降压启动柜全部自主研发生产,已由原来的一控一升为一控二、一控三、一控四、一控五等,都可以按需为您订制,只要您有需求,一个电话,我们为您服务到家。
弘翼电源服务热线:0755-85286003

<
<
<
<
合作咨询
客服1